Infračervené teploměry nebo pyrometry jsou vysoce sofistikované senzory, které našly široké uplatnění ve výzkumu a průmyslu. Tento článek srozumitelně popisuje teorii, na které je tento měřicí princip založen, a jak tato teorie může pomoci při řešení různých aplikačně specifických parametrů , s nimiž se potenciální uživatelé setkávají.
Úvod
Měření teploty lze rozdělit do dvou kategorií: kontaktní a bezkontaktní. V praxi jsou nejčastěji používanými zástupci první skupiny termočlánky a snímače Pt 100. Musí se dotýkat měřeného objektu a v zásadě měří vlastní teplotu, která se přizpůsobuje teplotě objektu. To vede k relativně pomalé odezvě. Bezkontaktní senzory měří infračervenou (IR) energii vyzařovanou objektem, mají rychlou odezvu a často se používají k měření pohybujících se objektů a objektů, které se nacházejí ve vakuu nebo jsou z jiných důvodů nepřístupné.

Abb. 1 Elektromagnetické spektrum
Teorie a základy
Infračervené záření objevil v roce 1666 sir Isaac Newton, když prošel sluneční světlo hranolem a rozdělil ho na barvy duhy. V roce 1880 učinil sir William Herschel další krok a určil relativní energii jednotlivých barev. Objevil také energii mimo viditelné spektrum. Na počátku 20. století Planck, Stefan, Boltzmann, Wien a Kirchhoff dále definovali aktivity elektromagnetického spektra a stanovili kvantitativní údaje a rovnice pro popis infračervené energie.
Infračervené teploměry měří teplotu měřením infračerveného záření vyzařovaného všemi materiály a objekty s teplotou vyšší než absolutní nula (0° Kelvina). V nejjednodušším provedení je infračervená energie soustředěna čočkou na detektor, který ji převádí na elektrický signál. Po kompenzaci okolní teploty lze tento signál zobrazit. Toto uspořádání umožňuje měřit teplotu z určité vzdálenosti a bez kontaktu s měřeným objektem. Díky tomu je infračervený teploměr vhodný pro měřicí úlohy, při kterých nelze použít termočlánky nebo jiné snímače nebo které poskytují nepřesné výsledky. Typickými příklady jsou měření pohybujících se nebo velmi malých předmětů, částí pod napětím nebo agresivních chemikálií, měření v silných elektromagnetických polích, měření předmětů ve vakuu nebo jiných uzavřených prostředích a aplikace, kde je vyžadována rychlá odezva.
První konstrukce infračervených teploměrů existují již od 19. století. Některé koncepty představil Charles A. Darling ve své knize "Pyrometry", která vyšla v roce 1911.
Trvalo až do roku 1930, než byla k dispozici technologie, která umožnila tyto koncepty uvést do praxe. Od té doby procházely tyto přístroje neustálým dalším vývojem, během něhož byly získány rozsáhlé poznatky a zkušenosti s aplikacemi. Dnes se tato koncepce etablovala jako standardní metoda měření a používá se v průmyslu i ve výzkumu.
Infračervené teploměry měří teplotu měřením infračerveného záření vyzařovaného všemi materiály a objekty s teplotou vyšší než absolutní nula (0° Kelvina). V nejjednodušším provedení je infračervená energie soustředěna čočkou na detektor, který ji převádí na elektrický signál. Po kompenzaci okolní teploty lze tento signál zobrazit. Toto uspořádání umožňuje měřit teplotu z určité vzdálenosti a bez kontaktu s měřeným objektem. Díky tomu je infračervený teploměr vhodný pro měřicí úlohy, při kterých nelze použít termočlánky nebo jiné snímače nebo které poskytují nepřesné výsledky. Typickými příklady jsou měření pohybujících se nebo velmi malých předmětů, částí pod napětím nebo agresivních chemikálií, měření v silných elektromagnetických polích, měření předmětů ve vakuu nebo jiných uzavřených prostředích a aplikace, kde je vyžadována rychlá odezva.
První konstrukce infračervených teploměrů existují již od 19. století. Některé koncepty představil Charles A. Darling ve své knize "Pyrometry", která vyšla v roce 1911.
Trvalo až do roku 1930, než byla k dispozici technologie, která umožnila tyto koncepty uvést do praxe. Od té doby procházely tyto přístroje neustálým dalším vývojem, během něhož byly získány rozsáhlé poznatky a zkušenosti s aplikacemi. Dnes se tato koncepce etablovala jako standardní metoda měření a používá se v průmyslu i ve výzkumu.
Princip měření
Jak již bylo zmíněno, všechna tělesa s teplotou nad 0°K vyzařují infračervenou energii. Infračervené záření je část elektromagnetického spektra, která leží mezi viditelným světlem a rádiovými vlnami. Vlnová délka infračerveného záření se pohybuje od 0,7 µm do 1000 µm, jak je znázorněno na obrázku 1. V praxi jsou však pro měření teploty vhodné pouze vlnové délky od 0,7 do 20 µm z tohoto frekvenčního rozsahu. V současné době nejsou k dispozici detektory, které by byly dostatečně citlivé pro měření malého množství energie, která je vyzařována nad vlnovou délkou 20 µm. Energie roste úměrně čtvrté mocnině teploty.
Křivka (obr. 2) znázorňuje energii vyzařovanou černým tělesem v rozsahu teplot od 700 K do 1300 K. Jak je vidět, většina je mimo viditelnou oblast. Přestože infračervené záření není vnímatelné lidským okem, je přesto užitečné si toto záření představit jako viditelné světlo, abychom pochopili princip fungování a problémy, které vznikají v aplikacích.
V mnoha ohledech se infračervené záření ve skutečnosti chová jako viditelné světlo. IR záření se šíří v přímce od zdroje záření a může být odráženo nebo pohlcováno objekty v dráze paprsku. Od většiny objektů, které nejsou pro lidské oko průhledné, se IR záření částečně odráží a částečně je objektem pohlcováno. Část pohlcené energie se odráží dovnitř a část je opět vyzařována. To platí i pro objekty, které jsou pro lidské oko průhledné, jako je sklo, plyny a tenké průhledné plastové fólie. Část záření však proniká i skrz objekt. Tyto procesy jsou znázorněny na obrázku 3. Celkově tyto procesy přispívají k tomu, čemu říkáme emisní faktor objektu nebo materiálu.
Křivka (obr. 2) znázorňuje energii vyzařovanou černým tělesem v rozsahu teplot od 700 K do 1300 K. Jak je vidět, většina je mimo viditelnou oblast. Přestože infračervené záření není vnímatelné lidským okem, je přesto užitečné si toto záření představit jako viditelné světlo, abychom pochopili princip fungování a problémy, které vznikají v aplikacích.
V mnoha ohledech se infračervené záření ve skutečnosti chová jako viditelné světlo. IR záření se šíří v přímce od zdroje záření a může být odráženo nebo pohlcováno objekty v dráze paprsku. Od většiny objektů, které nejsou pro lidské oko průhledné, se IR záření částečně odráží a částečně je objektem pohlcováno. Část pohlcené energie se odráží dovnitř a část je opět vyzařována. To platí i pro objekty, které jsou pro lidské oko průhledné, jako je sklo, plyny a tenké průhledné plastové fólie. Část záření však proniká i skrz objekt. Tyto procesy jsou znázorněny na obrázku 3. Celkově tyto procesy přispívají k tomu, čemu říkáme emisní faktor objektu nebo materiálu.

Abb. 2 Radiační vlastnosti černých těles

Abb. 3 Výměna tepla a záření
Stejně jako u viditelného světla platí, že čím je povrch leštěnější, tím více energie odráží. Povrchová úprava proto ovlivňuje také činitel vyzařování. Při měření teploty je to důležité zejména u objektů, které jsou nepropustné pro infračervené záření a mají nízký emisní faktor. Předmět z leštěné nerezové oceli má výrazně nižší emisní faktor než stejný předmět s drsným povrchem. Po obrábění, např. po soustružení, má drsný předmět mnoho malých drážek a nerovností, které výrazně snižují odrazivost obrobku.
Zákon zachování energie říká, že součet koeficientů prošlé, odražené a vyzařované (absorbované) IR energie se musí rovnat 1. Proto je nutné, aby se součet koeficientů prošlé, odražené a vyzařované (absorbované) IR energie rovnal 0.
σλ + αλ + τλ = 1
Dále platí, že činitel vyzařování je roven činiteli pohlcování:
ελ = αλ
platí následující:
ελ = 1 - σλ+ τλ
Zákon zachování energie říká, že součet koeficientů prošlé, odražené a vyzařované (absorbované) IR energie se musí rovnat 1. Proto je nutné, aby se součet koeficientů prošlé, odražené a vyzařované (absorbované) IR energie rovnal 0.
σλ + αλ + τλ = 1
Dále platí, že činitel vyzařování je roven činiteli pohlcování:
ελ = αλ
platí následující:
ελ = 1 - σλ+ τλ

Fig. 4 Srovnání černého těla, šedého těla a barevných reflektorů
Koeficient lze použít v Planckově rovnici jako veličinu, která popisuje vlastnosti povrchu vzhledem k vlnové délce. Pro neprůhledné objekty lze rovnici zjednodušit takto:
ελ = 1 - σλ
Objekty, které neodrážejí ani nepropouštějí infračervené záření, se označují jako černá tělesa. Přirozené černé těleso není známo. Pro teoretické účely a pro výpočet jiných objektů má černé těleso vyzařovací faktor 1,0. V praxi se nejlépe aproximuje skutečné černé těleso použitím IR nepropustné koule s malým válcovým vstupním otvorem. Vnitřní povrch takového objektu má emisní faktor 0,998.
Emisní faktor je mírou poměru tepelného záření vyzařovaného šedým a černým tělesem při stejné teplotě. Šedé těleso je objekt, který má stejný emisní faktor při všech vlnových délkách a vyzařuje méně infračerveného záření než černé těleso. Barevný zářič je objekt, jehož emisní faktor se mění s vlnovou délkou, např. kovy.
.
ελ = 1 - σλ
Objekty, které neodrážejí ani nepropouštějí infračervené záření, se označují jako černá tělesa. Přirozené černé těleso není známo. Pro teoretické účely a pro výpočet jiných objektů má černé těleso vyzařovací faktor 1,0. V praxi se nejlépe aproximuje skutečné černé těleso použitím IR nepropustné koule s malým válcovým vstupním otvorem. Vnitřní povrch takového objektu má emisní faktor 0,998.
Emisní faktor je mírou poměru tepelného záření vyzařovaného šedým a černým tělesem při stejné teplotě. Šedé těleso je objekt, který má stejný emisní faktor při všech vlnových délkách a vyzařuje méně infračerveného záření než černé těleso. Barevný zářič je objekt, jehož emisní faktor se mění s vlnovou délkou, např. kovy.
.
Různé materiály mají také různé emisní faktory, a proto při dané teplotě vyzařují IR záření s různou intenzitou. To obvykle nezávisí na barvě, pokud se materiál barvy zřetelně neliší od materiálu předmětu. Příkladem, kdy to platí, je barva s kovovým efektem, která obsahuje velké množství hliníkových částic. Většina barev má stejný emisní faktor, který nezávisí na barevném tónu. Naproti tomu hliník má velmi odlišný emisní faktor, což vede k odlišnému emisnímu faktoru pro barvu s kovovým efektem.
Kromě složení a struktury povrchu předmětu má na emisní faktor nepřímý vliv ještě třetí faktor: spektrální rozsah snímače. Nemá přímý vliv na objekt, ale na to, jak senzor vnímá spektrum vyzařované objektem.
Materiály, které jsou částečně průhledné, jako je sklo, plasty nebo silikon, lze měřit v rozsahu ve spojení s odpovídajícími selektivními filtry.
Kromě složení a struktury povrchu předmětu má na emisní faktor nepřímý vliv ještě třetí faktor: spektrální rozsah snímače. Nemá přímý vliv na objekt, ale na to, jak senzor vnímá spektrum vyzařované objektem.
Materiály, které jsou částečně průhledné, jako je sklo, plasty nebo silikon, lze měřit v rozsahu ve spojení s odpovídajícími selektivními filtry.

Abb. 5 Emisní faktor různých materiálů jako funkce vlnových délek
Z předchozích odstavců je zřejmé, že emisní faktor je při měření teploty v infračervené oblasti obzvláště důležitým parametrem. Dokud není emisní faktor měřeného objektu přesně znám a při měření zohledněn, je velmi nepravděpodobné, že získané naměřené hodnoty budou přesné. Existují v zásadě dva způsoby určení emisního faktoru. Buď lze emisní faktor převzít z tabulek, nebo jej určit srovnávacím měřením. Protože však údaje v tabulkách jsou zpravidla stanoveny za idealizovaných laboratorních podmínek, nejsou zohledněny vlivy prostředí, které způsobují obrovské odchylky zejména při nízkých faktorech. V tabulkách také není uvedena základní teplota měření a vlnová délka měření. Jako první přiblížení je tabulková hodnota jistě velmi užitečná. Při srovnávacím měření se měřící objekt změří termočlánkem nebo jiným teplotním čidlem, aby bylo možné následně nastavit emisní faktor na IR teploměru tak, aby zobrazoval stejnou teplotu. Obecně platí, že většina neprůhledných nekovových materiálů má vysoký a relativně stabilní emisní faktor 0,85 až 0,95. U většiny neoxidovaných kovových materiálů se emisní faktor pohybuje v rozmezí 0,2 až 0,5, s výjimkou zlata, stříbra a hliníku, které mají emisní faktor ještě nižší. Teplotu těchto kovů je proto obtížné měřit infračervenými teploměry, protože odrazná složka okolního záření je řádově stejná nebo vyšší než záření objektu.
Zatímco emisní faktor materiálu je téměř vždy možné určit, problémy nastávají, pokud materiál nemá konstantní emisní faktor, ale mění se s teplotou. To platí pro většinu kovů, ale také pro některé další materiály, jako je křemík nebo monokrystalická keramika s vysokou čistotou. Zde by se srovnávací měření a seřízení mělo provádět při teplotě kritické pro proces.
Rovnice a vzorce, na nichž je měření teploty založeno, jsou již delší dobu známé a osvědčené. Je nepravděpodobné, že by uživatel musel tyto vzorce používat při své každodenní práci s IR teploměry. Znalost těchto základů však umožňuje lépe pochopit, jak se určité veličiny a parametry navzájem ovlivňují. Nejdůležitější shrnuté vzorce jsou:
1. Kirchhoffův zákon záření
Při dané teplotě T a vlnové délce l se emisivita e rovná pohltivosti
e = α
Z toho vyplývá, že zářivý tok øλ reálného objektu se rovná zářivému toku černého tělesa øs při stejné teplotě vynásobenému emisivitou objektu
øλ = ε * øs
2. Kirchhoffův zákon záření 3. Kirchhoffův zákon vyzařování Stefanův-Boltzmannův zákon
Čím větší je teplota T objektu, tím větší zářivý výkon P je vyzářen při dané emisivitě ε a vyzařující ploše A (k = konstanta)
P = k*ε*A*T4
3. Zářivý výkon P je při dané emisivitě ε a vyzařující ploše A (k = konstanta) tím větší, čím větší je teplota T objektu. Wienův zákon posunutí
Vlnová délka, na které se nachází maximum energie záření, se s rostoucí teplotou posouvá do krátkovlnného pásma.
λmax = 2,89 * 103 μmK/T
4. Vlnová délka, na které se nachází maximum energie záření, se s rostoucí teplotou posouvá do krátkovlnného pásma. Planckova rovnice
Tato rovnice popisuje vztah mezi vlnovou délkou, teplotou T a výkonem záření.
Zatímco emisní faktor materiálu je téměř vždy možné určit, problémy nastávají, pokud materiál nemá konstantní emisní faktor, ale mění se s teplotou. To platí pro většinu kovů, ale také pro některé další materiály, jako je křemík nebo monokrystalická keramika s vysokou čistotou. Zde by se srovnávací měření a seřízení mělo provádět při teplotě kritické pro proces.
Rovnice a vzorce, na nichž je měření teploty založeno, jsou již delší dobu známé a osvědčené. Je nepravděpodobné, že by uživatel musel tyto vzorce používat při své každodenní práci s IR teploměry. Znalost těchto základů však umožňuje lépe pochopit, jak se určité veličiny a parametry navzájem ovlivňují. Nejdůležitější shrnuté vzorce jsou:
1. Kirchhoffův zákon záření
Při dané teplotě T a vlnové délce l se emisivita e rovná pohltivosti
e = α
Z toho vyplývá, že zářivý tok øλ reálného objektu se rovná zářivému toku černého tělesa øs při stejné teplotě vynásobenému emisivitou objektu
øλ = ε * øs
2. Kirchhoffův zákon záření 3. Kirchhoffův zákon vyzařování Stefanův-Boltzmannův zákon
Čím větší je teplota T objektu, tím větší zářivý výkon P je vyzářen při dané emisivitě ε a vyzařující ploše A (k = konstanta)
P = k*ε*A*T4
3. Zářivý výkon P je při dané emisivitě ε a vyzařující ploše A (k = konstanta) tím větší, čím větší je teplota T objektu. Wienův zákon posunutí
Vlnová délka, na které se nachází maximum energie záření, se s rostoucí teplotou posouvá do krátkovlnného pásma.
λmax = 2,89 * 103 μmK/T
4. Vlnová délka, na které se nachází maximum energie záření, se s rostoucí teplotou posouvá do krátkovlnného pásma. Planckova rovnice
Tato rovnice popisuje vztah mezi vlnovou délkou, teplotou T a výkonem záření.

Koncepce infračervených teploměrů
Infračervený teploměr se v zásadě skládá z následujících funkčních bloků:
1. Čočka, která soustřeďuje energii vyzařovanou objektem.
2. Detektor, který převádí zářivou energii na elektrický signál.
3. Nastavení emisního faktoru, aby teploměr odpovídal vlastnostem měřeného objektu.
4. Detektor, který převádí zářivou energii na elektrický signál. 5. Čočka, která soustřeďuje zářivou energii na elektrický signál.Kompenzace okolní teploty, která zabraňuje zahrnutí teploty teploměru do výstupního signálu.
Po mnoho let se většina komerčně dostupných IR teploměrů řídila touto koncepcí. Měly omezený rozsah použití a při zpětném pohledu neposkytovaly uspokojivé výsledky měření. Podle tehdejších měřítek však byly naprosto vyhovující a velmi robustní.
1. Čočka, která soustřeďuje energii vyzařovanou objektem.
2. Detektor, který převádí zářivou energii na elektrický signál.
3. Nastavení emisního faktoru, aby teploměr odpovídal vlastnostem měřeného objektu.
4. Detektor, který převádí zářivou energii na elektrický signál. 5. Čočka, která soustřeďuje zářivou energii na elektrický signál.Kompenzace okolní teploty, která zabraňuje zahrnutí teploty teploměru do výstupního signálu.
Po mnoho let se většina komerčně dostupných IR teploměrů řídila touto koncepcí. Měly omezený rozsah použití a při zpětném pohledu neposkytovaly uspokojivé výsledky měření. Podle tehdejších měřítek však byly naprosto vyhovující a velmi robustní.

Abb. 6 Blokové schéma IR teploměru
Moderní infračervené teploměry jsou založeny na tomto základním konceptu, ale postupem času byly výrazně zdokonaleny. Nejdůležitější rozdíly spočívají v použití různých typů detektorů, selektivní filtraci infračerveného signálu, linearizaci a zesílení signálu z detektoru a standardizovaných výstupních teplotních signálů, jako je 4-20 mA nebo 0-10 V DC. Obrázek 6 ukazuje blokové schéma moderního infračerveného pyrometru.
Pravděpodobně nejvýznamnějšího pokroku v IR měření teploty bylo dosaženo zavedením selektivních filtrů pro IR záření. To umožnilo použít citlivější detektory a stabilnější zesilovače signálu. Zatímco první IR teploměry byly závislé na širokém IR spektru, aby bylo možné získat použitelný výstupní signál z detektoru, u moderních detektorů zcela postačuje šířka pásma 1 μm nebo více. Potřeba zúžit spektrum a vybrat určité vlnové délky vyplývá ze skutečnosti, že je často nutné měřit přes médium, jehož teplota by neměla být do měření zahrnuta kvůli obsahu uhlíku nebo vodíku. Kromě toho je někdy nutné měřit teplotu předmětů nebo plynů, které jsou propustné v širokém rozsahu IČ spektra. Některé příklady selektivního omezení spektra:
- 8 - 14 μm: Vlivy vlhkosti vzduchu jsou vyloučeny i na větší vzdálenosti.
- 7,9 μm: Umožňuje měření tenkých plastových fólií, které jsou propustné v širokém rozsahu IR.
- 3,86 μm: Rušení CO2 a vodní párou v plamenech a spalinách je účinně potlačeno.
Pravděpodobně nejvýznamnějšího pokroku v IR měření teploty bylo dosaženo zavedením selektivních filtrů pro IR záření. To umožnilo použít citlivější detektory a stabilnější zesilovače signálu. Zatímco první IR teploměry byly závislé na širokém IR spektru, aby bylo možné získat použitelný výstupní signál z detektoru, u moderních detektorů zcela postačuje šířka pásma 1 μm nebo více. Potřeba zúžit spektrum a vybrat určité vlnové délky vyplývá ze skutečnosti, že je často nutné měřit přes médium, jehož teplota by neměla být do měření zahrnuta kvůli obsahu uhlíku nebo vodíku. Kromě toho je někdy nutné měřit teplotu předmětů nebo plynů, které jsou propustné v širokém rozsahu IČ spektra. Některé příklady selektivního omezení spektra:
- 8 - 14 μm: Vlivy vlhkosti vzduchu jsou vyloučeny i na větší vzdálenosti.
- 7,9 μm: Umožňuje měření tenkých plastových fólií, které jsou propustné v širokém rozsahu IR.
- 3,86 μm: Rušení CO2 a vodní párou v plamenech a spalinách je účinně potlačeno.
Teplotní rozsah hraje důležitou roli při výběru nejvhodnější vlnové délky pro měření. Planckova rovnice ukazuje, jak je znázorněno na obrázku 2 pro černé těleso, že maximum křivky záření se s rostoucí teplotou posouvá směrem ke krátkovlnnému rozsahu. Dokonce i v aplikacích, kde není vyžadována selektivní volba spektrálního rozsahu, může být výhodné omezit spektrální rozsah na co nejužší úsek co nejkratších vln. Jednou z výhod je, že efektivní emisní faktor mnoha objektů je nejvyšší u kovů s kratší vlnovou délkou. Kromě toho má toto omezení příznivý vliv na přesnost, protože snímače s úzkým spektrálním rozsahem jsou méně ovlivněny změnami emisního faktoru měřeného objektu, jak je vidět na obrázku 7.

Abb. 7 Závislost nesprávně nastavené emisivity při různých vlnových délkách
Konstruktivní design
IR teploměry se vyrábějí v různých konfiguracích, které se liší optikou, elektronikou, technologií, velikostí a pouzdrem. Všem je však společný řetězec zpracování signálu, který začíná infračerveným signálem a končí elektronickým výstupním signálem. Tento obecný měřicí řetězec začíná optickým systémem, který se skládá z čoček a/nebo optických vláken, filtrů a detektoru.
Z aplikačního hlediska je podstatnou vlastností optiky zorné pole, tj. jak velký je měřicí bod v dané vzdálenosti. Poměr měřicí vzdálenosti a průměru měřicího bodu se popisuje jako poměr vzdálenosti. V praxi lze volit mezi pyrometry s pevnou ohniskovou vzdáleností a zaostřitelnou optikou. Přístroje s pevnou optikou zaostřují pouze na objekt v ohnisku. Při ostatních měřicích vzdálenostech se průměr měřicího bodu zvětšuje neúměrně vypočtenému poměru vzdáleností. Taková optika je vhodná především pro velké objekty. Pro malé objekty nebo větší měřicí vzdálenosti se doporučuje používat zaostřitelnou optiku. Díky nastavitelnosti měřicí vzdálenosti lze pyrometry s fokusovatelnou optikou používat mnohem flexibilněji.
Při určování a porovnávání průměru měřicího bodu je důležité vědět, k jakému procentu zářivého výkonu se specifikace vztahuje. Například měřicí bod založený na 98 % energie je dvakrát větší než průměr založený na 90 % výkonu. To může vést ke značným chybám měření, zejména u malých měřicích objektů stejné velikosti jako měřicí skvrna pyrometru.
Dalším aspektem optiky je zaměření měřicího objektu. U zařízení bez zaměřovací pomůcky je čočka připevněna k povrchu a měří povrchovou teplotu. To platí především pro stacionární snímače, které jsou zaměřeny na dostatečně velké objekty a kde není vyžadováno přesné měření. U menších objektů nebo přístrojů, které měří na větší vzdálenosti, je nezbytná zaměřovací pomůcka v podobě optiky přes čočku, světelného bodu nebo laserového paprsku.
Citlivost pyrometru je dána použitím několika různých detektorů a filtrů. Jak je patrné z obrázku 8, nejvyšší citlivost mají detektory na bázi sulfidu olovnatého a nejnižší termopoly. Většina detektorů pracuje buď na fotoelektrickém principu (dopadající IČ záření vyvolává napěťový signál), nebo je založena na fotovodivosti (dopadající IČ záření mění odpor).
Vzhledem k nízké energii záření jsou při nízkých teplotách vyžadovány odpovídající širokopásmové spektrální rozsahy, a tedy delší měřicí vlnové délky. Při vyšších teplotách je citlivost výrazně snížena úzkopásmovými filtry. Tím se minimalizují interference závislé na vlnové délce.
Z aplikačního hlediska je podstatnou vlastností optiky zorné pole, tj. jak velký je měřicí bod v dané vzdálenosti. Poměr měřicí vzdálenosti a průměru měřicího bodu se popisuje jako poměr vzdálenosti. V praxi lze volit mezi pyrometry s pevnou ohniskovou vzdáleností a zaostřitelnou optikou. Přístroje s pevnou optikou zaostřují pouze na objekt v ohnisku. Při ostatních měřicích vzdálenostech se průměr měřicího bodu zvětšuje neúměrně vypočtenému poměru vzdáleností. Taková optika je vhodná především pro velké objekty. Pro malé objekty nebo větší měřicí vzdálenosti se doporučuje používat zaostřitelnou optiku. Díky nastavitelnosti měřicí vzdálenosti lze pyrometry s fokusovatelnou optikou používat mnohem flexibilněji.
Při určování a porovnávání průměru měřicího bodu je důležité vědět, k jakému procentu zářivého výkonu se specifikace vztahuje. Například měřicí bod založený na 98 % energie je dvakrát větší než průměr založený na 90 % výkonu. To může vést ke značným chybám měření, zejména u malých měřicích objektů stejné velikosti jako měřicí skvrna pyrometru.
Dalším aspektem optiky je zaměření měřicího objektu. U zařízení bez zaměřovací pomůcky je čočka připevněna k povrchu a měří povrchovou teplotu. To platí především pro stacionární snímače, které jsou zaměřeny na dostatečně velké objekty a kde není vyžadováno přesné měření. U menších objektů nebo přístrojů, které měří na větší vzdálenosti, je nezbytná zaměřovací pomůcka v podobě optiky přes čočku, světelného bodu nebo laserového paprsku.
Citlivost pyrometru je dána použitím několika různých detektorů a filtrů. Jak je patrné z obrázku 8, nejvyšší citlivost mají detektory na bázi sulfidu olovnatého a nejnižší termopoly. Většina detektorů pracuje buď na fotoelektrickém principu (dopadající IČ záření vyvolává napěťový signál), nebo je založena na fotovodivosti (dopadající IČ záření mění odpor).
Vzhledem k nízké energii záření jsou při nízkých teplotách vyžadovány odpovídající širokopásmové spektrální rozsahy, a tedy delší měřicí vlnové délky. Při vyšších teplotách je citlivost výrazně snížena úzkopásmovými filtry. Tím se minimalizují interference závislé na vlnové délce.
Pro optimalizaci odezvy systémů infračervených senzorů je třeba vzít v úvahu spektrální křivku detektoru a jeho vlastnosti.
Elektronika IR teploměru linearizuje výstupní signál detektoru tak, aby nakonec generovala lineární proudový signál 0(4) - 20 mA nebo napěťový signál 0(2)-10 V. Linearizace se nyní často provádí softwarově pomocí mikroprocesoru.
Ve srovnání s analogovou linearizací to umožňuje dosáhnout vyšší přesnosti při větších měřicích rozpětích.
Signál může být také digitalizován a vyveden na rozhraní nebo přiveden do řídicí jednotky, indikátoru nebo zapisovače. V závislosti na konfiguraci mají infračervené teploměry další funkce, jako jsou alarmy, nastavitelná paměť min/max pro přerušovaná měření, nastavitelné intervaly měření a doby odezvy a také funkce vzorkování a udržování.
Jak bylo uvedeno na začátku, výhodou bezkontaktního měření teploty je krátká doba odezvy. Termoelektrické detektory pro nízkoteplotní zařízení dosahují doby odezvy 30 ms. Fotoelektrické detektory pro vysoké teploty mají dobu odezvy 2 ms.
Pokud je v aplikaci použit snímač s rychlou dobou odezvy, musí odpovídající rychlost zpracování nebo aktivace umožnit i ostatní komponenty regulační smyčky.
Elektronika IR teploměru linearizuje výstupní signál detektoru tak, aby nakonec generovala lineární proudový signál 0(4) - 20 mA nebo napěťový signál 0(2)-10 V. Linearizace se nyní často provádí softwarově pomocí mikroprocesoru.
Ve srovnání s analogovou linearizací to umožňuje dosáhnout vyšší přesnosti při větších měřicích rozpětích.
Signál může být také digitalizován a vyveden na rozhraní nebo přiveden do řídicí jednotky, indikátoru nebo zapisovače. V závislosti na konfiguraci mají infračervené teploměry další funkce, jako jsou alarmy, nastavitelná paměť min/max pro přerušovaná měření, nastavitelné intervaly měření a doby odezvy a také funkce vzorkování a udržování.
Jak bylo uvedeno na začátku, výhodou bezkontaktního měření teploty je krátká doba odezvy. Termoelektrické detektory pro nízkoteplotní zařízení dosahují doby odezvy 30 ms. Fotoelektrické detektory pro vysoké teploty mají dobu odezvy 2 ms.
Pokud je v aplikaci použit snímač s rychlou dobou odezvy, musí odpovídající rychlost zpracování nebo aktivace umožnit i ostatní komponenty regulační smyčky.

Abb. 8 Spektrální křivka různých senzorů
Monochromatické měření: měření teploty při jedné vlnové délce
Měření teploty na jedné vlnové délce měří energii vyzařovanou z povrchu při dané vlnové délce. Konstrukce těchto přístrojů sahá od přenosných sond s jednoduchým externím displejem až po sofistikované přenosné přístroje, u nichž se teplota zobrazuje v okénku, přes které je objekt zaostřen. K dispozici jsou také paměťové a tiskové funkce. Spektrum stacionárních online snímačů sahá od jednoduchých malých detektorů s externí elektronikou až po robustní a složité sestavy s integrovanými PID regulátory. Optická vlákna, průhledová optika, laserová zaměřovací zařízení, vodní chlazení a skenovací systémy jsou možnosti, které se používají při monitorování a řízení procesů. V poslední době jsou dokonce nabízeny pyrometry s integrovanou videokamerou, takže kromě měření je možná i optická kontrola měřicího místa z velínu. Existují velké rozdíly z hlediska velikosti, výkonu, robustnosti, flexibility a zpracování signálu.
Při plánování a navrhování aplikací jsou důležitými kritérii, která je třeba podrobně zvážit, konfigurace senzoru, filtry, teplotní rozsah, optika, doba odezvy a emisní faktor.
Výběr infračerveného spektrálního rozsahu a teplotního rozsahu je třeba vždy zvážit v souvislosti s konkrétní aplikací. Ze spektrálních křivek uvedených na obrázku 2 je patrné, že pro vysoké teploty jsou vhodnější krátké vlnové délky, zatímco nízké teploty by se měly měřit v delším vlnovém rozsahu. Mají-li se měřit průhledné objekty, jako je sklo nebo plastové fólie, je zapotřebí úzkopásmový selektivní filtr. Například polyethylenová fólie má absorpční rozsah CH 3,43 μm, v tomto bodě je nepropustná pro IR záření. Podobně mnoho materiálů podobných sklu má neprůhledný rozsah kolem 5 μm. Naopak senzor s filtrem v rozsahu do 2 μm umožňuje měření přes skleněné okno, například pro vakuové nebo tlakové komory. Další možností pro měření v komorách se stísněnými měřicími místy nebo vysokou okolní teplotou je použití optických kabelů.
IR měření teploty pomocí jediné vlnové délky je tedy univerzální a přitom jednoduchá technologie, která je dostatečná pro mnoho aplikací, v nichž je kontrola teploty výrobku nezbytná pro jeho stálou kvalitu.
Při plánování a navrhování aplikací jsou důležitými kritérii, která je třeba podrobně zvážit, konfigurace senzoru, filtry, teplotní rozsah, optika, doba odezvy a emisní faktor.
Výběr infračerveného spektrálního rozsahu a teplotního rozsahu je třeba vždy zvážit v souvislosti s konkrétní aplikací. Ze spektrálních křivek uvedených na obrázku 2 je patrné, že pro vysoké teploty jsou vhodnější krátké vlnové délky, zatímco nízké teploty by se měly měřit v delším vlnovém rozsahu. Mají-li se měřit průhledné objekty, jako je sklo nebo plastové fólie, je zapotřebí úzkopásmový selektivní filtr. Například polyethylenová fólie má absorpční rozsah CH 3,43 μm, v tomto bodě je nepropustná pro IR záření. Podobně mnoho materiálů podobných sklu má neprůhledný rozsah kolem 5 μm. Naopak senzor s filtrem v rozsahu do 2 μm umožňuje měření přes skleněné okno, například pro vakuové nebo tlakové komory. Další možností pro měření v komorách se stísněnými měřicími místy nebo vysokou okolní teplotou je použití optických kabelů.
IR měření teploty pomocí jediné vlnové délky je tedy univerzální a přitom jednoduchá technologie, která je dostatečná pro mnoho aplikací, v nichž je kontrola teploty výrobku nezbytná pro jeho stálou kvalitu.
Poměrové měření: měření teploty při dvou nebo více vlnových délkách.
Vzhledem k tomu, že při přesném měření teploty infračervenými teploměry hraje zásadní roli emisní faktor nebo že se v dráze paprsku vyskytují intermediální média, není překvapivé, že se výzkumníci snaží vyvinout senzory, které by dokázaly měřit teplotu nezávisle na těchto interferencích. Běžným a osvědčeným přístupem k tomuto účelu je poměrové nebo vícebarevné měření. Tato metoda měří poměr energie na dvou různých vlnových délkách namísto absolutního množství energie na jedné vlnové délce. Slovo "vícebarevné měření" je odvozeno od staré myšlenky kombinovat viditelné barvy s teplotou. Tato myšlenka - a tedy i termín - je dnes již poněkud zastaralá, ale stále se běžně používá.
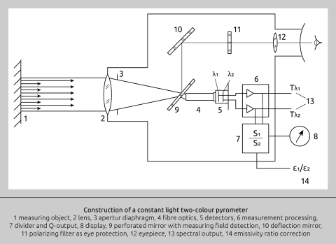
Účinnost této koncepce je založena na tom, že změny povrchových vlastností měřeného objektu nebo překážek nacházejících se v zorném kuželu k měřenému objektu jsou oběma detektory vnímány stejně. Poměr mezi výstupními signály obou snímačů proto zůstává stejný, stejně jako měřená teplota. Obrázek 9 ukazuje zjednodušené znázornění pyrometru pracujícího na tomto principu.
Účinnost této koncepce je založena na tom, že změny povrchových vlastností měřeného objektu nebo překážek nacházejících se v zorném kuželu k měřenému objektu jsou oběma detektory vnímány stejně. Poměr mezi výstupními signály obou snímačů proto zůstává stejný, stejně jako měřená teplota. Obrázek 9 ukazuje zjednodušené znázornění pyrometru pracujícího na tomto principu.

Abb. 9 poměrné měření
Měřením poměru namísto absolutní hodnoty lze za výše popsaných podmínek zabránit nepřesnostem způsobeným neznámým nebo měnícím se emisním faktorem. Teplota se měří správně i v případě, že je část zorného pole zakryta chladnějšími materiály, jako je prach, pára, svítidla nebo okna.
Dokud prostředí mezi objektem a čidlem selektivně neoslabuje určité vlnové délky, zůstává poměr konstantní, a proto zůstává konstantní i teplota měřená teploměrem.
Tato metoda je proto vhodná pro aplikace, které by bylo obtížné nebo nemožné řešit jinými měřicími technikami, např. měření teploty v cementářských pecích nebo měření přes okno, které se během procesu zamlžuje, jako je tomu v případě vakuového tavení kovů. Je však třeba poznamenat, že tyto dynamické změny musí být vnímány oběma snímači stejně, tj. změny se musí projevit na všech vlnových délkách stejně.
Tato metoda má samozřejmě také svá omezení, která je třeba brát v úvahu. Poměrové měření není vhodné pro barevné zářiče, jako je hliník. Stejně tak ji nelze použít k měření přes okna s měnící se propustností nebo přes horký Pyrex. Kromě toho má tato metoda tendenci zaznamenávat a měřit teploty pozadí, pokud jsou vyšší než teplota měřeného objektu.
Dokud prostředí mezi objektem a čidlem selektivně neoslabuje určité vlnové délky, zůstává poměr konstantní, a proto zůstává konstantní i teplota měřená teploměrem.
Tato metoda je proto vhodná pro aplikace, které by bylo obtížné nebo nemožné řešit jinými měřicími technikami, např. měření teploty v cementářských pecích nebo měření přes okno, které se během procesu zamlžuje, jako je tomu v případě vakuového tavení kovů. Je však třeba poznamenat, že tyto dynamické změny musí být vnímány oběma snímači stejně, tj. změny se musí projevit na všech vlnových délkách stejně.
Tato metoda má samozřejmě také svá omezení, která je třeba brát v úvahu. Poměrové měření není vhodné pro barevné zářiče, jako je hliník. Stejně tak ji nelze použít k měření přes okna s měnící se propustností nebo přes horký Pyrex. Kromě toho má tato metoda tendenci zaznamenávat a měřit teploty pozadí, pokud jsou vyšší než teplota měřeného objektu.
Obrázek 10 ukazuje příklad různých výrobků, jejichž emisní faktor se mění s teplotou. Například u grafitu se často spontánně předpokládá, že má vysoký a konstantní emisní faktor. Opak je pravdou - emisní faktor se v rozmezí 20 °C až 1100 °C zvyšuje z 0,4 na 0,65.
Pro barevné zářiče, jejichž emisní faktor se mění s vlnovou délkou, existují vícebarevné teploměry, které měří energii celé řady vlnových délek. Takovým aplikacím předchází podrobná analýza povrchových vlastností dotyčného výrobku. Je třeba analyzovat vztah mezi emisním faktorem, teplotou, vlnovou délkou a chemickým složením povrchu. Na základě těchto údajů lze sestavit algoritmy, které smysluplně propojí emisi při různých vlnových délkách s teplotou.
Pokud se v zorném poli nachází médium, jehož velikost částic odpovídá jedné z vlnových délek použitých k měření, je poměr rovněž zkreslen.
Navzdory těmto omezením funguje měření poměru v řadě aplikací velmi dobře. V některých aplikacích je tato metoda nejlepším, ne-li jediným rozumným řešením pro měření teploty.
Pro barevné zářiče, jejichž emisní faktor se mění s vlnovou délkou, existují vícebarevné teploměry, které měří energii celé řady vlnových délek. Takovým aplikacím předchází podrobná analýza povrchových vlastností dotyčného výrobku. Je třeba analyzovat vztah mezi emisním faktorem, teplotou, vlnovou délkou a chemickým složením povrchu. Na základě těchto údajů lze sestavit algoritmy, které smysluplně propojí emisi při různých vlnových délkách s teplotou.
Pokud se v zorném poli nachází médium, jehož velikost částic odpovídá jedné z vlnových délek použitých k měření, je poměr rovněž zkreslen.
Navzdory těmto omezením funguje měření poměru v řadě aplikací velmi dobře. V některých aplikacích je tato metoda nejlepším, ne-li jediným rozumným řešením pro měření teploty.

Abb. 10 U mnoha materiálů se emisní faktor mění s teplotou. This figure shows some common materials.
Souhrn
Obrázek 11 opět ukazuje základní prvky aplikace. Nejdůležitějším aspektem je zde povrch měřeného objektu. Při výběru vhodného přístroje je třeba vzít v úvahu velikost měřeného objektu, teplotní rozsah, emisní faktor, spektrální citlivost a dobu odezvy.
Kromě toho je třeba při výběru nejvhodnějšího přístroje zohlednit také okolní podmínky, např. přítomnost plamenů, IR zářičů, indukčních pecí a charakter atmosféry (prach, znečištěná okna, kouř, teplo atd.).
Kromě toho je třeba při výběru nejvhodnějšího přístroje zohlednit také okolní podmínky, např. přítomnost plamenů, IR zářičů, indukčních pecí a charakter atmosféry (prach, znečištěná okna, kouř, teplo atd.).

Abb. 11 rušivé vlivy
Infračervené měření teploty je vyspělá technologie, která se neustále optimalizuje a přizpůsobuje novým aplikacím. Každý den se osvědčuje v širokém spektru průmyslových odvětví i ve výzkumu. Pokud je základní technologie správně pochopena a jsou zohledněny všechny relevantní parametry aplikace, poskytuje tato metoda měření obecně požadované výsledky, pokud je přístroj pečlivě instalován. Pečlivost v tomto kontextu znamená, že senzor je provozován v rámci svých specifikací a že byla přijata dostatečná opatření, aby optika nebyla znečištěna a usazena.
Jedním z kritérií při výběru výrobce teploměru by proto měla být dostupnost ochranného a instalačního příslušenství. V úvahu je třeba vzít i to, do jaké míry toto příslušenství umožňuje rychlou demontáž a případnou výměnu čidla. Při dodržení těchto zásad fungují moderní infračervené teploměry často spolehlivěji než termočlánkové snímače nebo snímače Pt100.
Jedním z kritérií při výběru výrobce teploměru by proto měla být dostupnost ochranného a instalačního příslušenství. V úvahu je třeba vzít i to, do jaké míry toto příslušenství umožňuje rychlou demontáž a případnou výměnu čidla. Při dodržení těchto zásad fungují moderní infračervené teploměry často spolehlivěji než termočlánkové snímače nebo snímače Pt100.














